전기자동차의 모터는 어떻게 제어할까? (2) | 공간벡터전압
현재 3상 모터를 제어하는 방법 중 가장 흔히 사용하는 방법은 공간벡터전압을 이용하는 것이다. 이번엔 이 공간벡터전압이 무엇이며 왜 나오게 되었는지 직관적으로 알아보는 시간을 가지겠다.
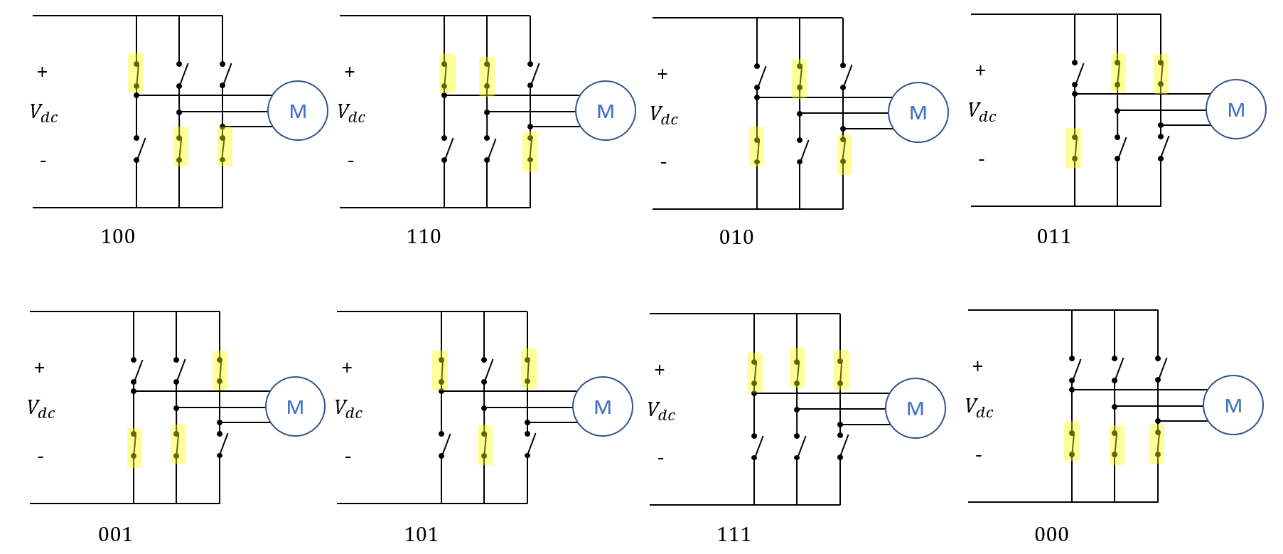
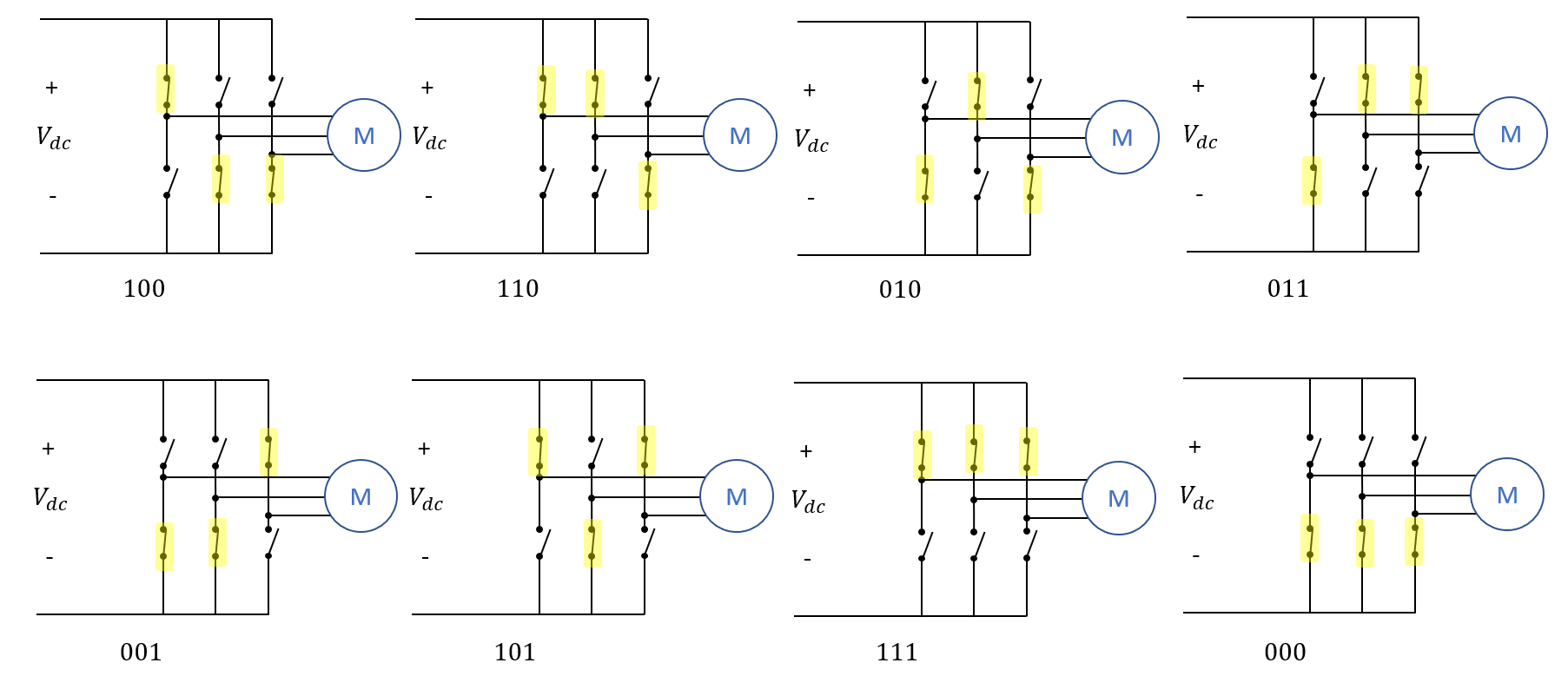
인버터 스위칭의 경우의 수와 공간벡터전압
인버터는 기본적으로 한 브릿지에 모든 스위치가 켜지면 단락(short)이 발생하여 엄청난 과전류가 흐르게 된다.

따라서 인버터의 스위치는 반드시 하나가 켜지면 하나는 꺼지는 상보적인(complementary) 움직임을 보여줘야한다. 이 점을 유의하면 인버터가 보여줄 수 있는 스위치 동작은 다음과 같이 8가지의 경우의 수가 있다. (물론 모든 스위치가 꺼진 경우도 있지만 그 특성은 다음 번에 따로 다루도록 하겠다.) 편의를 위해 브릿지마다 스위치 패턴을 0과 1로 표현하여 위 그림 밑에 적힌 것과 같이 벡터로 스위치 상태를 표현하겠다. 이를 공간전압벡터라고 하며, 브릿지의 윗쪽 스위치가 켜지면 1, 아랫쪽 스위치가 켜지면 0으로 한다.

각 경우의 수에 따른 등가회로를 통해 모터 고정자에 발생하는 전압을 살펴보도록 하자. 먼저 스위치 패턴이 100인 상황을 보면 다음과 같다.

모터 고정자의 상 하나는 RL 부하로 생각할 수 있으며, 전압 분배법칙에 의해 a상에는 2/3 Vdc 만큼의 전압이, b와 c상에는 -1/3 Vdc 만큼의 전압이 걸리는 것을 알 수 있다. 마찬가지의 방법으로 다른 스위치 패턴에서도 각 상에 걸리는 전압을 구할 수 있다.

여기서 111과 000은 조금 특이하게 고정자의 모든 상이 모이는 중성점이 floating 상태(노드가 아무 것도 연결되지 않은 상태)가 되기 때문에 모든 상에 전압이 걸리지 않는다. 따라서 이 두 벡터를 영전압벡터라고 부르며 나머지 벡터를 유효벡터라고 한다.
공간벡터와 자속
이번엔 이 스위치 패턴으로 인해 발생되는 모터의 자속을 살펴보자. 편의를 위해 다음과 같이 3상 모터의 고정자를 2극 짜리로 가정하여 단순하게 설명해 보겠다.

이 3개의 상은 각각 3상 인버터 출력에 연결되어 전압 및 전류를 공급받게 된다. 이를 정면에서 바라본 2차원 평면으로 그리면 다음과 같다.

화면에 수직인 방향으로 a, b, c라 표시된 점에 전선이 각각 들어가 a', b', c' 점으로 감겨 나오는 것을 의미한다. 따라서 만약 a상에만 전압이 걸린다면 자속은 앙페르의 오른나사 법칙에 의해 이 전류 루프의 수직인 방향으로 발생할 것이다.

마찬가지로 b, c상 전압으로 인한 자속도 다음과 같다.

우선 공간전압벡터가 100인 상황을 분석하여 보자. 위에서 말한 것과 같이 공간전압벡터 100일 때 a, b, c상의 전압은 각각 2/3 Vdc, -1/3 Vdc, -1/3 Vdc가 된다. 자속의 세기는 전압 세기에 비례하므로 공간벡터전압 100인 경우 아래와 같은 자속이 모터에 발생됨을 알 수 있다. 여기서 ɸ는 Vdc 만큼 가해질 때 발생하는 자속의 크기를 의미한다.

최종적으로 12시 방향으로 ɸ 만큼의 자속이 발생함을 알 수 있다. 마찬가지로 한 번 더 110인 상황에서 자속을 분석하면, a, b, c상의 전압은 각각 1/3 Vdc, 1/3 Vdc, -2/3 Vdc이므로 다음과 같다.

총 자속의 방향이 10시 방향으로 ɸ 만큼 발생한 것을 알 수 있다. 이런 식으로 영전압벡터를 제외한 모든 공간전압벡터에 대해 최종 자속을 분석해보면 다음과 같은 순서로 자속이 반시계 방향 회전하는 것을 알 수 있다.

다시 말해, 모터 고정자에 인버터의 스위치 패턴(공간전압벡터)을 이용하여 자속을 6가지 방향으로 생성할 수 있다.
다음 게시글에서는 이 공간전압벡터를 이용하여 모터를 제어할 수 있는 방법에 대해 이야기해보겠다.
'유용한 지식 > 모터 제어' 카테고리의 다른 글
| 영구자석 DC 모터는 어떻게 제어할까?1 | 전기 파워트레인 제작실습 02 (0) | 2021.08.20 |
|---|---|
| 전기자동차 제작 대회를 준비하는 학생들에게 | 전기 파워트레인 제작실습 01 (0) | 2021.08.18 |
| PWM 기본 제어 원리1 (7) | 2020.09.08 |
| 전기자동차의 모터는 어떻게 제어할까? (1) | 모터 전류 제어 (4) | 2020.08.13 |
| IPMSM과 돌극성(Saliency) (0) | 2020.08.12 |
댓글