PWM(Pulse Width Modulation) 기본 제어 원리2
앞선 포스팅에서는 DC모터를 구동하기 적합한 Half-Bridge Inverter에서의 PWM 원리에 대해 설명하였다.
2020.09.08 - [유용한 지식/모터 제어] - PWM(Pulse Width Modulation) 제어 원리1
PWM(Pulse Width Modulation) 제어 원리1
PWM(Pulse Width Modulation) 제어 원리1 전기자동차에서 모터 구동을 위해 주로 쓰이는 인버터(Inverter)는 PWM(Pulse Width Modulation) 제어에 의해 동작한다. 처음 이 PWM 제어에 대해 공부하면 잘 감이..
ev-engineer-student.tistory.com
이번에는 3상 AC모터를 구동하기 적합한 3상 인버터에서의 PWM 원리에 대해 알아본다.
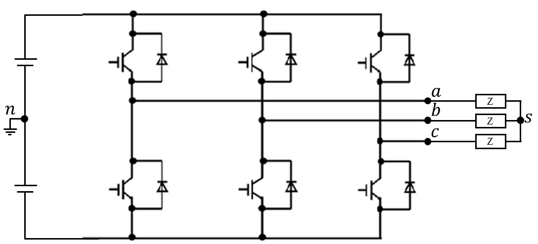
3상 인버터의 변수 이름

설명의 편의를 위해 먼저 3상 인버터에서 노드에 이름을 짚고 가보자.
위 그림에 표시되어 있듯 시스템의 ground 노드와 부하의 중성점은 각각 n과 s로 명명하며, 각 브릿지의 출력 노드를 a, b, c로 표시하였다.
따라서 출력 노드와 ground 노드 사이의 전압인 인버터의 극전압은 van, vbn, vcn이 되고,
출력 노드와 중성점 사이의 전압인 인버터의 상전압은 vas, vbs, vcs이 된다.
언뜻보면 둘 다 큰 차이가 없어 보이지만, 이때 ground 노드(n)는 0 V로 기준이 되는 전위이고 중성점(s)은 고정된 값이 아님을 유의해 주어야한다.
즉 n - a - s - n을 거치는 폐루프 회로로 볼 때 극전압(van)은 상전압(vas)과 중성점 전압(vsn)의 합과 같다. 나머지 브릿지들도 마찬가지며, 식으로 표현하면 다음과 같다.

3상 인버터에서의 삼각파 비교 방법
이전 게시글인 'PWM(Pulse Width Modulation) 제어 원리1'에서 삼각파 비교 방법의 원리에 대하여 자세히 설명하였다.
동일하게 3상 인버터에서도 원하는 극전압을 Reference로 지정하여 삼각파인 Carrier와 비교한다면 DC링크 전압을 비율에 맞게 껐다 킴으로써 출력의 평균 값과 Reference 값을 맞출 수 있다.
그러나 우리가 인버터를 제어할 때는 주로 부하에 걸리는 전압이 중요하기 때문에 상전압을 제어해줘야 한다.
간단한 제어를 위해 vsn = 0으로 하고 극전압과 상전압을 같게 여긴다면 원하는 상전압 값을 인버터의 Reference로 바로 지정할 수 있다.
이러한 방식은 Reference의 형태가 보통 정현파(Sinusoidal Wave) 형태이기 때문에 이를 흔히 SPWM(Sinusodial PWM)이라 부른다.
그럼 만약 vsn이 0이 아니라면 어떻게 될까?
원하는 상전압 값들이 있다고 하자. 이것들에 임의로 0이 아닌 vsn 값을 더하여 극전압을 계산하면 SPWM과 다른 극전압이 나오게 된다.
그러나 이 극전압을 Reference로 지정한다 해도 출력되는 상전압 값은 여전히 원하는 값일 것이다.
다시말해 마치 옵셋(off-set)처럼 세 상전압에 동일한 값이 더해진다 하더라도 출력되는 극전압은 바뀔지언정 출력되는 상전압은 동일하다는 의미이다.
이 원리를 잘 이용하게 되면 인버터의 성능을 높여주는 아주 재밌고 다양한 현상을 만들 수 있게 되며, 근래의 진보된 PWM 기법들로의 확장을 가져다 주었다.
추후 포스팅에서는 이러한 옵셋 방식을 활용한 다양한 PWM 기법에 대해 소개해 보도록 하겠다.
'유용한 지식 > 모터 제어' 카테고리의 다른 글
| 영구자석 DC 모터는 어떻게 제어할까?1 | 전기 파워트레인 제작실습 02 (0) | 2021.08.20 |
|---|---|
| 전기자동차 제작 대회를 준비하는 학생들에게 | 전기 파워트레인 제작실습 01 (0) | 2021.08.18 |
| 전기자동차의 모터는 어떻게 제어할까? (2) | 공간벡터전압 (2) | 2020.10.04 |
| PWM 기본 제어 원리1 (7) | 2020.09.08 |
| 전기자동차의 모터는 어떻게 제어할까? (1) | 모터 전류 제어 (4) | 2020.08.13 |
댓글